×Éѯµç»°
13924666952
400-158-1606
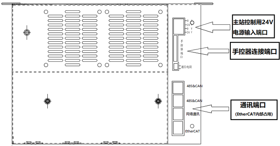
³åѹ»úеÊÖ¿ØÖÆÏµÍ³¡ª¡ªÎåÖáÇý¿ØÒ»ÌåEC-C5£¬ÏäÌåÕûÌå½ÓÏß˵Ã÷£º


°æÈ¨ËùÓÐ ? ¿·¢ÌìÉúÓ®¼ÒÒ»´¥¼´·¢Ê×Ò³ δ¾Ðí¿É²»µÃ¸´ÖÆ¡¢×ªÔØ»òÕª±à£¬Î¥Õ߱ؾ¿ °æÈ¨ÉùÃ÷
Copyright ? Shenzhen Huacheng Industrial Control Co., Ltd. All Rights Reserved.
ÍøÕ¾ICP±¸°¸ºÅ£º ÔÁICP±¸19106162ºÅ
¼¼ÊõÖ§³Ö£ºÐÂÐÂÍøÂç