×Éѯµç»°
13924666952
400-158-1606
×¢ËÜ»úеÊÖ¿ØÖÆÏµÍ³ÏµÁÐΪHC-S3/HC-S5ÐͺŲúÆ·£¬×°ÖÃʱ³ß´çͼÈçÏ¡£
HC-S5Ö÷¿Ø°å×°Öóߴçͼ£º

HC-S3Ö÷¿Ø°å×°Öóߴçͼ£º

I/O°å×°Öóߴçͼ£º

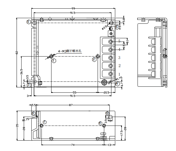
¿ª¹ØµçÔ´×°Öóߴ磺


°æÈ¨ËùÓÐ ? ¿·¢ÌìÉúÓ®¼ÒÒ»´¥¼´·¢Ê×Ò³ δ¾Ðí¿É²»µÃ¸´ÖÆ¡¢×ªÔØ»òÕª±à£¬Î¥Õ߱ؾ¿ °æÈ¨ÉùÃ÷
Copyright ? Shenzhen Huacheng Industrial Control Co., Ltd. All Rights Reserved.
ÍøÕ¾ICP±¸°¸ºÅ£º ÔÁICP±¸19106162ºÅ
¼¼ÊõÖ§³Ö£ºÐÂÐÂÍøÂç