×Éѯµç»°
13924666952
400-158-1606

ÎÞ»úе³ÝÂÖºÍÀëºÏÆ÷½á¹¹£¬ÎÞÄ¥Ëð£¬Ãâά»¤£¬ÊÙÃü³¬³¤£¬¹ÊÕÏÂʵͣ»
¸ß¾«¶ÈµçÁ÷²ÉÑùºÍÖÕÖµËã·¨Çý¿Ø£¬ÏìÓ¦¿ì£¬Öظ´¾«¶È¸ß£¬Å¤Á¦¾«×¼£»
¾ß±¸µ¥¶Î£¬¶þ¶Î£¬¶à¶Î¡¢²ðжµÈ¶àÖÖÊÂÇéģʽ£¬×ªËÙ¡¢Å¤¾Ø¿Éµ÷£¬Ëø¸¶ÖÇÄÜ»¯£»
ÊÊÓ¦»úÑÀÂÝÎÆ£¬×Ô¹¥ÂÝÎÆ£¬×Ô×êÂÝÎÆµÈ³¡ºÏ£»
ŤÁ¦£¬È¦Êý×ÛºÏÆÀ¹À£¬½µµÍ»¬ÑÀ¡¢¸¡ËøÎóÅÐÂÊ£»
Çý¿ØÆ÷×Ô´ø2.4´çÕæ²Ê´¥ÃþÆÁ¿Éµ÷ÊÔÉèÖòÎÊý£¬±ãµ±¼à¿Øµ÷ÊÔµçÅúÔË×÷£»
Çý¿ØÆ÷IOÐźÅÓеçÅúÆôÍ£ÊäÈëÐźš¢Á¦¾ØµÖ´ïºÍµçÅú±¨¾¯Êä³öÐźţ»
¼¯³ÉÒ»¸ö»ùÓÚMODBUS RTUÐÒéµÄTTLͨÐſڣ¬ÍâÁª¿ØÖÆÆ÷»ò´¥ÃþÆÁ¡£
ÖÇÄÜËÅ·þµçÅú£¬ÓÉËÅ·þµçÅú¿ØÖÆÏµÍ³ºÍËÅ·þµç»ú×é³É¡£²»¹ÜÊÇ´ÓŤÁ¦¡¢¾«¶È¡¢Ê¹ÓÃÊÙÃüÀ´¿´£¬ËÅ·þµçÅú¶¼±ÈÎÞË¢¡¢ÓÐË¢µçÅú¸üÇ¿´ó¡£ËÅ·þµçÅúµÄŤÁ¦´ó¡¢ÏìÓ¦¿ì¡£
²úÆ·ÌØµã£º
£¨1£©ÎÞ»úе³ÝÂÖºÍÀëºÏÆ÷½á¹¹£¬ÎÞÄ¥Ëð£¬Ãâά»¤£¬ÊÙÃü³¬³¤£¬¹ÊÕÏÂʵͣ»
£¨2£©¸ß¾«¶ÈµçÁ÷²ÉÑùºÍÖÕÖµËã·¨Çý¿Ø£¬ÏìÓ¦¿ì£¬Öظ´¾«¶È¸ß£¬Å¤Á¦¾«×¼£»
£¨3£©¾ß±¸µ¥¶Î£¬¶þ¶Î£¬¶à¶Î¡¢²ðжµÈ¶àÖÖÊÂÇéģʽ£¬×ªËÙ¡¢Å¤¾Ø¿Éµ÷£¬Ëø¸¶ÖÇÄÜ»¯£»
£¨4£©ÊÊÓ¦»úÑÀÂÝÎÆ£¬×Ô¹¥ÂÝÎÆ£¬×Ô×êÂÝÎÆµÈ³¡ºÏ£»
£¨5£©Å¤Á¦£¬È¦Êý×ÛºÏÆÀ¹À£¬½µµÍ»¬ÑÀ¡¢¸¡ËøÎóÅÐÂÊ£»
£¨6£©Çý¿ØÆ÷×Ô´ø2.4´çÕæ²Ê´¥ÃþÆÁ¿Éµ÷ÊÔÉèÖòÎÊý£¬±ãµ±¼à¿Øµ÷ÊÔµçÅúÔË×÷£»
£¨7£©Çý¿ØÆ÷IOÐźÅÓеçÅúÆôÍ£ÊäÈëÐźš¢Á¦¾ØµÖ´ïºÍµçÅú±¨¾¯Êä³öÐźţ»
£¨8£©¼¯³ÉÒ»¸ö»ùÓÚMODBUS RTUÐÒéµÄTTLͨÐſڣ¬ÍâÁª¿ØÖÆÆ÷»ò´¥ÃþÆÁ¡£
ϵͳ¹¦Ð§£º
ÊäÈëÊä³öÐźţºÆô¶¯¡¢Í£Ö¹¡¢Õý·´×ª£»Å¡½ôÍê³É¡¢¼°¸ñ±ê¼Ç¡¢±¨¾¯Êä³ö£»
ÍâΧ½Ó¿Ú£ºRS485¡¢IO½Ó¿Ú¡¢¿ÉʵÏÖIO¿ÚµÄËùÓй¦Ð§£»
ʵʱÊä³öÅ¡½ôÊý¾Ý£¬ÓÉMESϵͳÊÕÂÞ£¬ÆÊÎö£¬´æ´¢£»
Å¡½ôÀú³ÌÓɸßËÙÊý×Ö¿ØÖÆ£¬¾«¶È¸ß£¬Ê¹ÓÃÊÙÃü³¤£»
Ö§³ÖÕý·´Ïò¿ØÖÆ£»Å¤Á¦£¬×ªËÙ£¬È¦ÊýÈÎÒâµ÷Àí£¬¶à¼¶±äËÙ£¬¿ØÖƾ«¶È¸ü¸ß£»
Å¡½ôÀú³ÌÊý¾ÝÖÎÀí£¬¼Í¼¿ÉËÝ£»
¸¡Ëø£¬»¬ÑÀµÈÒì³£ÍÉ»¯±¨¾¯»úÖÆ¼°´¦Àí£»
Å¡½ôÀú³ÌÖ÷ÒªÊý¾ÝÏÔʾ£ºÊµÊ±Å¤Á¦Öµ¡¢È¦Êý¡¢Å¡½ôʱ¼ä¡¢Å¤Á¦·åÖµ£¬¼°¸ñ±ê¼Ç£»
Ïà¹ØÓÚIOµçÅú£¬¿ØÖƸü¾«×¼£¬¸ü»·±£¡£
Èí¼þ¹¦Ð§£º
½çÃæ¼òµ¥ÒײÙ×÷£¬ÓëÖÇÄÜËÅ·þµçÅú¿ØÖÆÆ÷ÎÞ·ìÁ¬½Ó£¬¿ìËÙ±ã½ÝµÄÉèÖõçÅúÖÖÖÖ²ÎÊý¡£
ËÅ·þµçÅúÊÂÇé״̬ÐÅÏ¢ÏÔʾÓë¼Í¼£¬µçÅú״̬ʵʱ¼à¿Ø¡£
Ť½ôÀú³Ì¿É¼à¿Ø£¬Ö§³Ö²¨ÐÎÊÕÂÞ¡¢±ÈÕÕÓëÆÊÎö¡¢Ö§³ÖÔÚÏßµ÷ÊÔ¹¦Ð§¡£
Ëø¸¶¼Í¼ÏÔʾ£¬´¦ÀíÓëµ¼³ö£¬ÈÃÅ¡½ô¼Í¼¿É×·ËÝ¡¢¿ÉÉú´æ¡¢¿Éͳ¼Æ¡£
¹æ¸ñÐͺţº
| ¹¦ÂÊ | Ť¾Ø | תËÙ/RPM | ÊÊÓÃÂݶ¤ | |
| 100W | 1-9 ¹«½ï / 0.1-0.9 Å£Ã× | 0-3000 | m1.4-m3 | |
| 200W | 3-18¹«½ï / 0.3-1.8Å£Ã× | 0-3000 | m2-m4 | |
| 400W | 6-35¹«½ï / 0.6-3.5Å£Ã× | 0-3000 | m2-m5 | |
| ¿ØÖÆ·½·¨ | FOCʸÁ¿¿ØÖÆ | |||
| Çé¿ö | ÊÂÇéÎÂ¶È | -20¡æ~45¡æ | ||
| ´æ´¢ÎÂ¶È | -20¡æ~45¡æ | |||
| ʪ¶È | 90%RHÒÔÏ£¬Î޽ᶠ| |||
| º£°Î | 3000mÒÔÏ | |||
| Õñ¶¯ | 4.9m/sec2£¬ÆµÂÊ10~55Hz | |||
| ÖÜΧÇé¿ö | ÎÞÒ×ȼÒ×±¬¡¢¸¯»¯ÐÔÆøÌ壬ÎÞÑÎÎí£¬ÎÞµ¼µç·Û³¾ | |||
| Êý×ÖÁ¿ÊäÈë | ÊÓÐͺŶø¶¨£¬×î´óÖ§³Ö5· | |||
| Êý×ÖÁ¿Êä³ö | ÊÓÐͺŶø¶¨£¬×î´óÖ§³Ö3· | |||
| ±àÂëÆ÷·´Ïì | ¶àĦ´¨¾ø¶ÔÖµ±àÂëÆ÷ | |||
| ͨÐŹ¦Ð§ | ModbusͨÐÅÐÒé | |||
| ´æ´¢¹¦Ð§ | EEPROMµôµçÉú´æ | |||
| ÀäÈ´·½·¨ | ×ÔÈ»ÀäÈ´ | |||
| ¹ýÔØÄÜÁ¦ | ÊÓÐͺŶø¶¨£¬¹ýÔØË®Æ½¿ÉÉèÖã¬×î¸ßÖ§³Ö3±¶¹ýÔØ3.5s | |||
| ±¨¾¯¹¦Ð§ | ¹ýÁ÷£¬¹ýÈÈ£¬¹ýѹ£¬Ç·Ñ¹£¬¹ýÔØ£¬¹ýËÙ£¬±àÂëÆ÷Òì³£µÈ±¨¾¯ | |||
| ÉÏλ»úÈí¼þ | ServoAppËÅ·þµçÅúÉÏλ»úÈí¼þ | |||
IO¼°Í¨Ñ¶¶Ë¿Ú½ç˵£º

ÐźŠ| ˵Ã÷ | ÐźŠ| ˵Ã÷ | |
1 | 24V | ÄÚ²¿Êä³öµçѹ£¬¿É½ÓÈëÍⲿµçѹ | DO1- | Êä³ö¶Ë×Ó- |
2 | COM | µçÔ´¸º¼« | DO1+ | Êä³ö¶Ë×Ó+ |
3 | SEL | Æéá«µçÆ½ÓÐЧѡÔñ | DO2- | Êä³ö¶Ë×Ó- |
4 | DI1 | ÊäÈë¶Ë×Ó | DO2+ | Êä³ö¶Ë×Ó+ |
5 | DI2 | ÊäÈë¶Ë×Ó | DO3- | Êä³ö¶Ë×Ó- |
6 | DI3 | ÊäÈë¶Ë×Ó | DO3+ | Êä³ö¶Ë×Ó+ |
7 | DI4 | ÊäÈë¶Ë×Ó | B | RS485´®ÐÐÐźÅB |
8 | DI5 | ÊäÈë¶Ë×Ó | A | RS485´®ÐÐÐźÅA |
9 | NC | - |
×¢£ºSELÓÃÓÚÑ¡ÔñÆéá«µçÆ½Ê¹Óã¬SELÑ¡Ôñ½ÓÈë24Vʱ£¬ÊäÈë¶Ë×ÓÊäÈëµÍµçƽÐźÅÓÐЧ£»SELÑ¡Ôñ½ÓÈëCOMʱ£¬ÊäÈë¶Ë×ÓÊäÈë¸ßµçƽÐźÅÓÐЧ¡£
µç»ú±àÂëÆ÷¶Ë¿Ú£º

¸÷ϵÁеçÅúµÄ±àÂëÆ÷¶Ë¿ÚͳһΪDB9£¬Ö§³Ö¾ø¶ÔÖµ±àÂëÆ÷¡£
ÊäÈëÊä³öµçÔ´¶Ë¿Ú£º
µçÅúµçÔ´ÊäÈ룬½ÓµØ¶Ë¿Ú£º
ÐźŠ| ˵Ã÷ | |
1 | L1 | ¹¦ÂʵçÔ´ |
2 | L2 | ¹¦ÂʵçÔ´ |
3 | ©G | ½ÓµØ |
µç»ú¶¯Á¦Ïߣ¬½ÓµØ¶Ë¿Ú£º
ÐźŠ| ˵Ã÷ | |
1 | ©G | ½ÓµØ |
2 | W | µç»úWÏà |
3 | V | µç»úVÏà |
4 | U | µç»úUÏà |
µçÆø½ÓÏßͼ£º

ËÅ·þµçÅú¿ØÖÆÆ÷Íâ¹Û³ß´ç£º

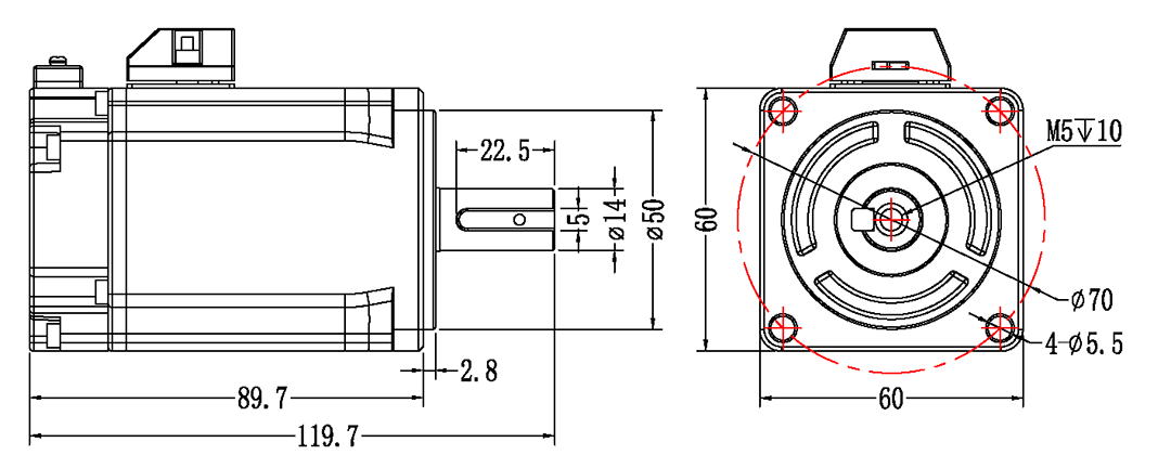
400Wµç»ú³ß´ç£º

ËÅ·þµç»ú°üÍâ¿Ç³ß´çͼ

ËÅ·þµç»úδ°üÍâ¿Ç³ß´çͼ
²úÆ·Äþ¾²ÈÏÖ¤¡ª¡ªCEÈÏÖ¤±¨¸æ

°æÈ¨ËùÓÐ ? ¿·¢ÌìÉúÓ®¼ÒÒ»´¥¼´·¢Ê×Ò³ δ¾Ðí¿É²»µÃ¸´ÖÆ¡¢×ªÔØ»òÕª±à£¬Î¥Õ߱ؾ¿ °æÈ¨ÉùÃ÷
Copyright ? Shenzhen Huacheng Industrial Control Co., Ltd. All Rights Reserved.
ÍøÕ¾ICP±¸°¸ºÅ£º ÔÁICP±¸19106162ºÅ
¼¼ÊõÖ§³Ö£ºÐÂÐÂÍøÂç