¿­·¢ÌìÉúÓ®¼ÒÒ»´¥¼´·¢Ê×Ò³

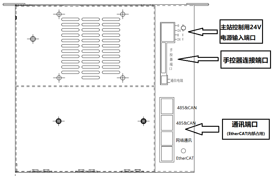
EC-L4³µ´²»úеÊÖ¿ØÖÆÏµÍ³Çý¿ØÒ»ÌåÏäÌåÕûÌå½ÓÏß˵Ã÷

[ Ðû²¼ÈÕÆÚ£º2021-04-27 ] À´Ô´: ¡¾´òÓ¡´ËÎÄ¡¿ ¡¾¹Ø±Õ´°¿Ú¡¿

³µ´²»úеÊÖ¿ØÖÆÏµÍ³¡ª¡ªËÄÖáÇý¿ØÒ»ÌåEC-L4ÏäÌåÕûÌå½ÓÏß˵Ã÷£º


k8¡¤¿­·¢ÌìÉúÓ®¼Ò¡¤Ò»´¥¼´·¢(ÖйúÇø)¹Ù·½ÍøÕ¾

k8¡¤¿­·¢ÌìÉúÓ®¼Ò¡¤Ò»´¥¼´·¢(ÖйúÇø)¹Ù·½ÍøÕ¾

°æÈ¨ËùÓÐ ? ¿­·¢ÌìÉúÓ®¼ÒÒ»´¥¼´·¢Ê×Ò³ δ¾­Ðí¿É²»µÃ¸´ÖÆ¡¢×ªÔØ»òÕª±à £¬Î¥Õ߱ؾ¿  °æÈ¨ÉùÃ÷

Copyright ? Shenzhen Huacheng Industrial Control Co., Ltd. All Rights Reserved.

ÍøÕ¾ICP±¸°¸ºÅ£º ÔÁICP±¸19106162ºÅ

¼¼ÊõÖ§³Ö£ºÐÂÐÂÍøÂç

×Éѯµç»°

13924666952

400-158-1606

k8¡¤¿­·¢ÌìÉúÓ®¼Ò¡¤Ò»´¥¼´·¢(ÖйúÇø)¹Ù·½ÍøÕ¾

¹Ù·½¿Í·þ΢ÐÅ

ÍøÕ¾µØÍ¼