首页
产品中心
效劳与支持
解决计划
新闻动态
关于凯发天生赢家一触即发首页
联系凯发天生赢家一触即发首页
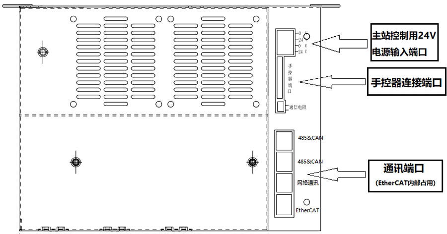
车床机械手控制系统驱控一体化EC-L5五轴系统,驱控一体箱体整体外观接线说明:
版权所有 ? 凯发天生赢家一触即发首页 未经许可不得复制、转载或摘编,违者必究 版权声明
Copyright ? Shenzhen Huacheng Industrial Control Co., Ltd. All Rights Reserved.
网站ICP备案号: 粤ICP备19106162号
技术支持:新新网络
咨询电话
13924666952
400-158-1606
官方客服微信