×Éѯµç»°
13924666952
400-158-1606
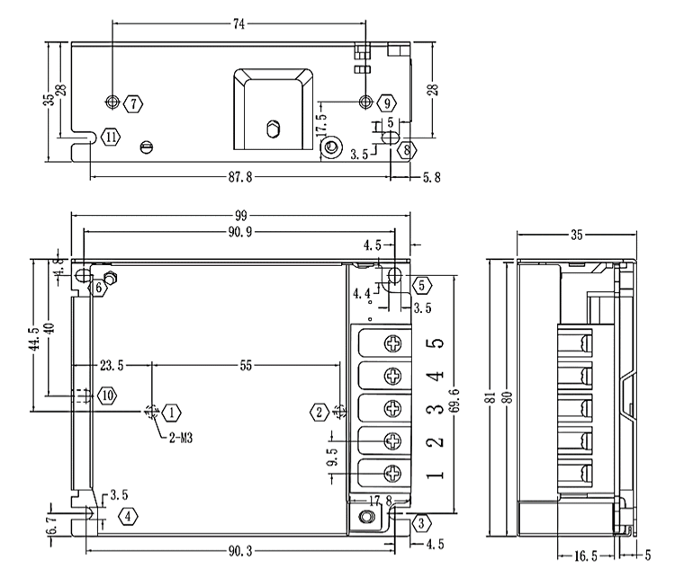
¿·¢ÌìÉúÓ®¼ÒÒ»´¥¼´·¢Ê×ҳϵÁлúеÊÖ¿ØÖÆÏµÍ³¿ª¹ØµçÔ´¼°Öƶ¯µç×è³ß´çͼ£¬Í³Ò»ÊÊÓÃËùÓÐϵÁÐÐͺŲúÆ·£¬¿ª¹ØµçÔ´·Öµ¥Â·¼°Ë«Â·£¬ÈçÏ£º
µ¥Â·¿ª¹ØµçÔ´³ß´çͼ£º

×°Ö÷½·¨ | ×°ÖÃλºÅ | ÂÝË¿¹æ¸ñ | ÂÝË¿³¤¶È(max) | ×°ÖÃŤ¾Ø(max) |
ÂÝË¿ÀÎ¹Ì | ¢Ù--¢Ú ¢ß--¢á | M3 | 5mm | 6.5kgf.cm |
¢Û--¢Þ ¢â--? | M3 | 3mm | 7kgf.cm |
˫·¿ª¹ØµçÔ´³ß´çͼ£º

×°Ö÷½·¨ | ×°ÖÃλºÅ | ÂÝË¿¹æ¸ñ | ÂÝË¿³¤¶È(max) | ×°ÖÃŤ¾Ø(max) |
ÂÝË¿ÀÎ¹Ì | ¢Ù--¢Ú ¢ß--¢á | M3 | 5mm | 6.5kgf.cm |
¢Û--¢Þ ¢â--? | M3 | 3mm | 7kgf.cm |
ÖÆ¶¯µç×è³ß´çͼ£º

×°Ö÷½·¨ | ÂÝË¿¹æ¸ñ | ÂÝË¿ ³¤¶È(max) | ×°Öà Ť¾Ø(max) |
ÂÝË¿ÀÎ¹Ì | M5 | 8mm | 7.5kgf.cm |
ÐͺŠ| 25¡æ-40¡æ¶î¶¨¹¦ÂÊ(W) | ÍâÐγߴç(mm) | ×èÖµ¹æÄ£ | ||||||
µç×èÌå | |||||||||
A¡À1.0 | B¡À1.0 | C¡À1.0 | D¡À1.0 | E¡À0.5 | F | G¡À1.0 | 0.1¡«20K | ||
RXLG | 200 | 165 | 147 | 30 | 60 | 5.6 | 45¡ã | 119 | |
°æÈ¨ËùÓÐ ? ¿·¢ÌìÉúÓ®¼ÒÒ»´¥¼´·¢Ê×Ò³ δ¾Ðí¿É²»µÃ¸´ÖÆ¡¢×ªÔØ»òÕª±à£¬Î¥Õ߱ؾ¿ °æÈ¨ÉùÃ÷
Copyright ? Shenzhen Huacheng Industrial Control Co., Ltd. All Rights Reserved.
ÍøÕ¾ICP±¸°¸ºÅ£º ÔÁICP±¸19106162ºÅ
¼¼ÊõÖ§³Ö£ºÐÂÐÂÍøÂç