×Éѯµç»°
13924666952
400-158-1606
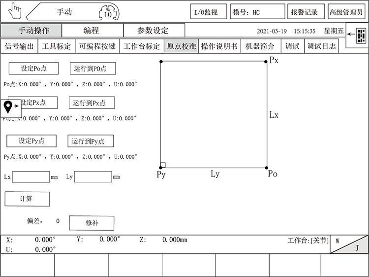
ˮƽÊàŦ»úеÈËϵͳΪ¿·¢ÌìÉúÓ®¼ÒÒ»´¥¼´·¢Ê×ҳϵÁÐSCARA»úеÈË¿ØÖÆÏµÍ³£¬ÔµãУ׼²Ù×÷ÈçÏ£º
Çл»µ½¡°ÊÖ¶¯¡±×´Ì¬Ï£¬Ôڴ˽çÃæÏ¿ɽøÐÐÔµãУ׼¡£

²Ù×÷ÒªÁ죺
1£©ÖÆ×÷Ò»¸ö³¤Îªx(mm)£¬¿íΪy(mm)µÄ±ê×¼¾ØÐΣ¬²¢½«½«¾ØÐηÅÔÚˮƽµÄÆ½ÃæÉÏ¡£
2£©ÈçÉÏͼ£¬ÒÔ¾ØÐεÄÒ»¸ö½ÇΪPo£¬ÉèÈëPoλÖã»´ÓPoµãÒÆ¶¯x(mm)µ½ÁíÒ»¸ö½ÇPx£¬ÉèÈëPxµÄλÖã»ÔÙ´ÓPoµãÒÆ¶¯y(mm)µ½ÁíÒ»¸ö½ÇPy£¬ÉèÈëPyµÄλÖá£
3£©ÔÚLxºÍLy±à¼¿òÖл®·ÖÊäÈëx(mm)ºÍy(mm)£¬µã»÷ÅÌËãÆ«²î¡£
4£©ÅÌËãÆ«²îºó£¬µã»÷ÐÞ²¹£¬¼´¿ÉÍê³ÉÔµãУ׼¡£
×¢Ò⣺ԵãУ׼ºóÐè¶ÏµçÖØÆô¡£
°æÈ¨ËùÓÐ ? ¿·¢ÌìÉúÓ®¼ÒÒ»´¥¼´·¢Ê×Ò³ δ¾Ðí¿É²»µÃ¸´ÖÆ¡¢×ªÔØ»òÕª±à£¬Î¥Õ߱ؾ¿ °æÈ¨ÉùÃ÷
Copyright ? Shenzhen Huacheng Industrial Control Co., Ltd. All Rights Reserved.
ÍøÕ¾ICP±¸°¸ºÅ£º ÔÁICP±¸19106162ºÅ
¼¼ÊõÖ§³Ö£ºÐÂÐÂÍøÂç